


CenturyVal
CenturyVal
High Performance Butterfly Valve
B20/B22 Series
B20/B22 series butterfly valves adopt a double eccentric design, with good sealing performance and compact structure, and are widely used in the cut-off and regulating of various media.

Features
- The valve plate and the seat adopt a dynamic sealing construction, so that the valve has good sealing performance;
- The polished and chrome-plated valve plate makes the whole valve have a smaller switching torque and increases the service life of the sealing ring;
- The valve adopts a wafer design, making the structure more compact. Flanged type is also available;
- The shape of the valve plate is optimized, which reduces the resistance when the valve is fully open, and also helps to reduce the dynamic torque when the valve is adjusted.
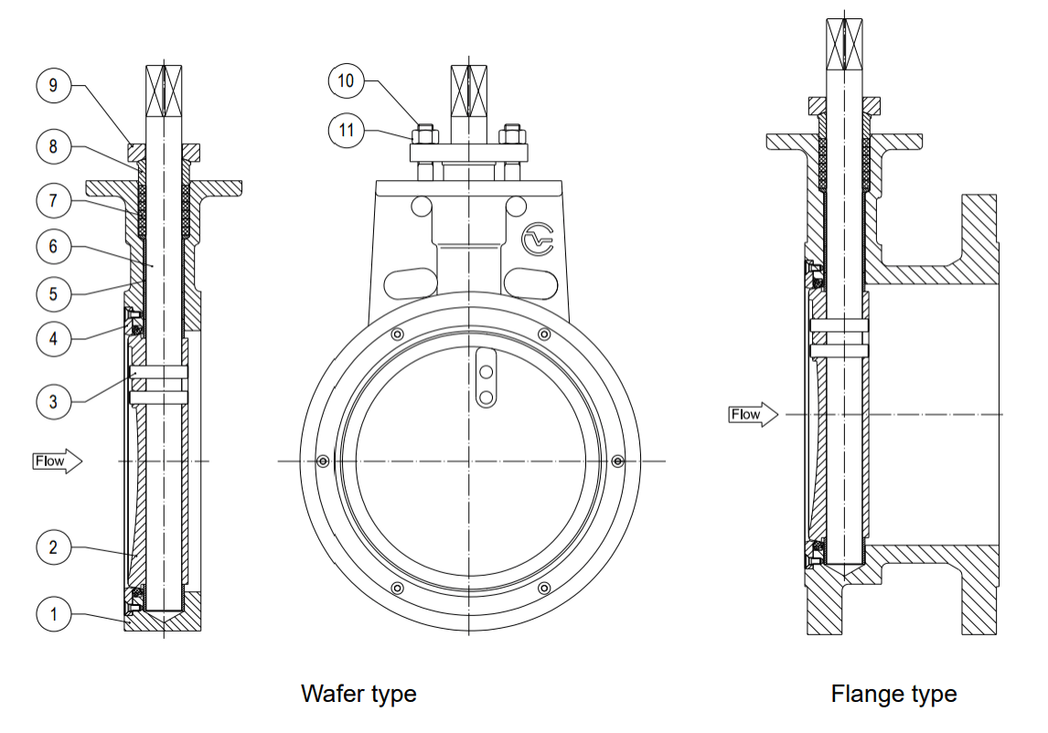
Construction Diagram
DN80~DN200 Body Construction

Construction Options

Specifications

Documents
Name *CountryCompanyEmail Address *Product Category *
© 2025



